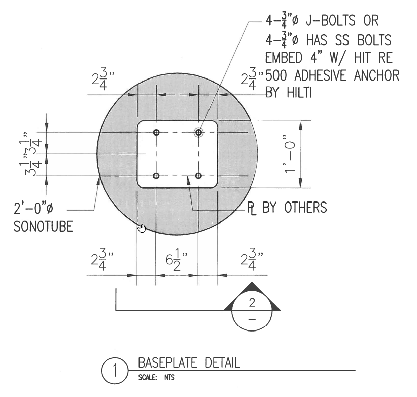
What is the J-Bolt pattern for mounting ETP towers?

What is the J-Bolt pattern for mounting ETP towers?

What is the J-Bolt pattern for mounting ETP towers?

Answer:

The pattern is outlined in the image below. (Click to enlarge)
Mounting pattern and options for ETP Towers

If you need additional assistance, please email us at support@talkaphone.com or call 773-539-1100 and select Technical Support.